Elegir un sistema de aire acondicionado por conductos para una vivienda de 80 metros cuadrados representa una decisión importante que afectará tu confort durante años. Este tipo de climatización ofrece ventajas significativas frente a otros sistemas: distribución uniforme del aire en todas las estancias, ausencia de unidades visibles que comprometan la estética interior, y funcionamiento silencioso que no perturba el ambiente de tu hogar.
Un espacio de 80m2 requiere una planificación específica. No es ni demasiado pequeño como para conformarse con splits individuales, ni tan grande como para necesitar sistemas comerciales complejos. Esta superficie representa el punto ideal donde un sistema de conductos bien dimensionado puede ofrecer máxima eficiencia energética y confort térmico óptimo.
En esta guía encontrarás información práctica sobre cálculo de potencia necesaria, selección del equipo adecuado, consideraciones técnicas de instalación, y estimación real de costes. Te ayudaremos a tomar una decisión informada que equilibre inversión inicial, eficiencia energética y confort a largo plazo.
Por Qué Elegir Aire Acondicionado por Conductos para 80m2
Los sistemas de aire acondicionado por conductos ofrecen beneficios específicos para espacios como el tuyo. La principal ventaja reside en la distribución homogénea de la temperatura: mientras que un sistema split crea corrientes de aire localizadas, un sistema por conductos reparte el aire climatizado de manera uniforme a través de múltiples rejillas estratégicamente ubicadas.
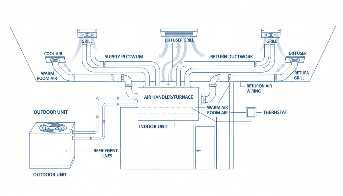
Estética y Diseño Interior
Las unidades interiores quedan completamente ocultas en el falso techo. Solo las rejillas de difusión permanecen visibles, integradas discretamente en el diseño. No hay splits en las paredes que rompan la armonía visual de tus espacios.

Confort Acústico Superior
La unidad interior funciona desde el falso techo o armario técnico, alejada de las zonas habitables. El nivel sonoro en las estancias se reduce significativamente comparado con splits tradicionales que funcionan directamente en la habitación.

Ventajas Principales
- Climatización uniforme en todas las habitaciones sin diferencias térmicas
- Instalación invisible que preserva la estética interior
- Mayor eficiencia energética con una sola unidad exterior
- Control independiente por zonas si se instala zonificación
- Menor nivel sonoro en las estancias principales
- Valorización inmobiliaria de la vivienda
Consideraciones Importantes
- Requiere espacio en falso techo para conductos e unidad interior
- Inversión inicial superior a sistemas split tradicionales
- Instalación más compleja que requiere profesionales especializados
- Modificaciones posteriores resultan más complicadas
- Necesita planificación durante construcción o reforma integral
Para viviendas de 80m2, estas características cobran especial relevancia. Es un tamaño donde la instalación resulta técnicamente viable sin complicaciones excesivas, y económicamente rentable a medio plazo gracias al ahorro energético que proporciona un sistema centralizado eficiente.
¿No estás seguro de las frigorías que necesitas?
Cada vivienda tiene características únicas que afectan el cálculo: orientación, aislamiento, número de ocupantes y clima local. Nuestros especialistas pueden realizar una evaluación personalizada de tu espacio de 80m2 sin compromiso.
Cálculo de Potencia: Cuántas Frigorías Necesitas para 80m2
El cálculo correcto de la potencia frigorífica constituye el primer paso crítico. Una máquina subdimensionada trabajará constantemente al máximo sin alcanzar la temperatura deseada, consumiendo más energía y desgastándose prematuramente. Una máquina sobredimensionada arranca y para constantemente, provocando ineficiencia energética y desgaste del compresor.
Regla General de Cálculo
La fórmula básica establece aproximadamente 100 frigorías por metro cuadrado en condiciones estándar. Para un espacio de 80m2, esto equivaldría a 8000 frigorías base. Sin embargo, múltiples factores pueden modificar sustancialmente esta cifra.

Factores que Modifican el Cálculo
Orientación Solar
Viviendas orientadas al sur reciben mayor radiación solar directa, especialmente en verano. Incrementa el cálculo base en 10-15% para orientaciones sur y suroeste.
Calidad del Aislamiento
Ventanas de doble acristalamiento, paredes con aislamiento térmico y techos bien aislados reducen la carga térmica. Viviendas antiguas sin aislamiento requieren 20-30% más potencia.
Altura del Techo
El cálculo estándar asume techos de 2.5m. Techos más altos aumentan el volumen de aire a climatizar proporcionalmente.
Número de Ocupantes
Cada persona genera aproximadamente 100W de calor corporal. Familias numerosas o espacios con alta ocupación necesitan mayor capacidad.
Zona Climática
El clima mediterráneo con veranos extremos requiere mayor capacidad que climas atlánticos más templados. Considera las temperaturas máximas locales.
Equipamiento Electrónico
Ordenadores, televisores y electrodomésticos generan calor adicional. Espacios con alta densidad de equipos necesitan compensación.
Uso del Espacio
Cocinas generan más calor que dormitorios. Salones con grandes ventanales necesitan más potencia que habitaciones interiores.
Piso y Ubicación
Áticos y últimas plantas reciben radiación por el techo. Bajos reciben menos radiación directa. Ajusta según tu ubicación vertical.
Ventanas y Superficies
Grandes ventanales aumentan las pérdidas/ganancias térmicas. Calcula superficie acristalada y su exposición solar.
Potencia Recomendada para 80m2
Para la mayoría de viviendas de 80 metros cuadrados en España, la potencia frigorífica recomendada oscila entre 6000 y 8000 frigorías (equivalente a 7000-9300W o 24000-28000 BTU/h). Esta tabla te ayudará a afinar la selección:
| Condiciones de la Vivienda | Potencia Recomendada | Perfil Ideal |
| Vivienda con excelente aislamiento, orientación norte, zona climática templada | 6000 frigorías | Construcción reciente, certificación energética A/B |
| Vivienda estándar, aislamiento medio, orientación este-oeste | 7000 frigorías | Mayoría de viviendas urbanas en costa mediterránea |
| Vivienda con aislamiento básico, orientación sur, zona cálida | 8000 frigorías | Ático, última planta, grandes ventanales sur |
| Vivienda sin aislamiento, ático, zona muy cálida | 9000-10000 frigorías | Construcciones antiguas en Andalucía o Levante |

Consejo de Experto
Si tu cálculo queda entre dos potencias disponibles comercialmente (por ejemplo, entre 6000 y 7000 frigorías), selecciona la potencia superior. Los sistemas de aire acondicionado con tecnología Inverter modulan su potencia automáticamente, por lo que un equipo ligeramente sobredimensionado trabajará más eficientemente que uno justo de capacidad.
El sistema de aire acondicionado también debe proporcionar calefacción eficiente. La capacidad calorífica suele ser ligeramente superior a la frigorífica. Un equipo de 6000 frigorías típicamente ofrece 7000-7500 kilocalorías de calor, suficiente para mantener confortable tu espacio de 80m2 durante el invierno.
Solicita Tu Presupuesto Personalizado Gratuito
Nuestros expertos analizarán las características específicas de tu vivienda de 80m2 y te recomendarán el sistema ideal según orientación, aislamiento y necesidades particulares. Sin compromiso.
Cómo Seleccionar el Equipo de Aire Acondicionado por Conductos Adecuado
Una vez determinada la potencia necesaria, debes seleccionar el equipo específico que mejor se adapte a tus necesidades. Los sistemas de conductos constan de varios componentes que trabajan coordinadamente para proporcionar climatización eficiente.
Componentes Principales del Sistema

Unidad Exterior (Condensadora)
Instalada en terraza, balcón o fachada, contiene el compresor y el intercambiador que expulsa el calor al exterior. Para 80m2 necesitarás una unidad de 6-8 kW. Verifica dimensiones disponibles en tu espacio exterior antes de comprar.
Las unidades modernas incorporan compresores Inverter que ajustan su velocidad según demanda, reduciendo consumo hasta 40% respecto a compresores convencionales de velocidad fija.


Unidad Interior (Evaporadora)
Oculta en el falso techo o armario técnico, contiene el ventilador que impulsa aire a través de los conductos. Sus dimensiones típicas para 80m2 son aproximadamente 25-30cm de alto, 80-100cm de ancho y 60-70cm de fondo. Confirma que dispones de espacio suficiente.
Incluye bomba de drenaje incorporada para evacuar condensación, especialmente importante si no existe desagüe natural cercano.
Red de Conductos
Tubos de fibra de vidrio, chapa metálica o aluminio que distribuyen el aire climatizado desde la unidad interior hasta las rejillas en cada estancia. El diseño debe equilibrar caudales para distribución uniforme. Un buen instalador calculará secciones y longitudes para minimizar pérdidas de carga.

Rejillas de Difusión
Elementos visibles desde donde sale el aire climatizado a cada habitación. Pueden ser lineales, cuadradas o circulares según preferencia estética. Para 80m2 necesitarás típicamente 4-6 rejillas de impulsión más las de retorno correspondientes.

Rejillas Lineales
Diseño minimalista que se integra perfectamente en techos modernos. Ideal para salones y espacios diáfanos.

Rejillas Cuadradas
Opción tradicional y versátil. Disponibles en múltiples tamaños para ajustar caudales por estancia.

Rejillas Circulares
Aporte estético diferenciador. Funcionan especialmente bien en dormitorios y espacios pequeños.
Criterios de Selección del Equipo
Eficiencia Energética: La Clave del Ahorro
La etiqueta energética europea clasifica equipos de aire acondicionado del A+++ (máxima eficiencia) al D (baja eficiencia). Para 80m2 donde el sistema funcionará frecuentemente, invertir en alta eficiencia se amortiza rápidamente.
| Clase Energética | SEER (Frío) | SCOP (Calor) | Consumo Estimado Anual | Diferencia Coste Anual vs A+++ |
| A+++ | ≥ 8.5 | ≥ 5.1 | 450-550 kWh | — |
| A++ | 6.1 – 8.5 | 4.6 – 5.1 | 550-700 kWh | +25-40€ |
| A+ | 5.6 – 6.1 | 4.0 – 4.6 | 700-850 kWh | +65-90€ |
| A | 5.1 – 5.6 | 3.4 – 4.0 | 850-1000 kWh | +100-140€ |
Un equipo A+++ consume aproximadamente 40% menos energía que uno clase A. En una vivienda de 80m2 con uso moderado, esto representa un ahorro de 100-140€ anuales. La diferencia de precio inicial se recupera en 3-5 años.
Tecnología Inverter: Imprescindible
Los sistemas Inverter ajustan continuamente la velocidad del compresor según necesidad térmica, en lugar de funcionar a máxima potencia o apagarse completamente. Esta modulación produce múltiples beneficios para espacios de 80m2:
- Reducción del consumo eléctrico entre 30-40% respecto a sistemas ON/OFF tradicionales
- Temperatura más estable sin fluctuaciones bruscas
- Menor desgaste mecánico del compresor al evitar arranques y paradas constantes
- Alcance más rápido de la temperatura deseada inicialmente
- Funcionamiento más silencioso al no trabajar constantemente a máxima potencia

Funciones Inteligentes y Conectividad
Los equipos modernos incorporan funcionalidades que mejoran confort y eficiencia en tu espacio de 80m2:
Control WiFi y Apps
- Gestión remota desde smartphone o tablet
- Programación de horarios por días de la semana
- Monitorización de consumo energético en tiempo real
- Integración con asistentes de voz (Alexa, Google)
Zonificación Inteligente
- Control independiente de temperatura por habitaciones
- Compuertas motorizadas en conductos secundarios
- Ahorro energético al climatizar solo zonas ocupadas
- Termostatos individuales en cada zona
Modos de Funcionamiento
- Modo ECO para máximo ahorro energético
- Modo SLEEP con reducción gradual nocturna
- Modo TURBO para enfriamiento rápido inicial
- Deshumidificación independiente sin frío excesivo
Selección de Marcas para 80m2
El mercado ofrece múltiples fabricantes con diferente equilibrio entre precio, calidad y prestaciones. Para instalaciones en 80m2, estas son las opciones más recomendables según presupuesto:

Mitsubishi Electric
Gama Premium
Rango de precio: 2400-3500€ (solo equipo)
Referencia en fiabilidad y eficiencia. Sus series MGPEZ y FDUM ofrecen clase A+++ con tecnología Inverter avanzada. Garantía extendida y red técnica oficial amplia. Ideal para quien busca máxima calidad y durabilidad.
- Eficiencia energética superior (SEER hasta 9.5)
- 10 años de garantía en compresor
- Tecnología Hyper-Heating para calefacción hasta -25°C
- Control WiFi incluido en modelos recientes

Daikin
Gama Alta
Rango de precio: 2200-3200€ (solo equipo)
Líder mundial en climatización. Sus series Sky Air y ADEAS combinan eficiencia A+++ con tecnología probada. Control inteligente y amplia red de instaladores certificados. Equilibrio perfecto calidad-precio.
- Gas refrigerante R-32 más ecológico
- Sistema Flash Streamer de purificación de aire
- Garantía de 5 años ampliable a 10
- App Onecta para control remoto avanzado

Fujitsu
Gama Alta
Rango de precio: 2000-3000€ (solo equipo)
Tecnología japonesa reconocida por su eficiencia. Serie ACY K-KA Eco destaca por bajo nivel sonoro y consumo reducido. Excelente opción para instalaciones en 80m2 con alta exigencia acústica.
- Modo silencioso ultra-bajo (19 dB unidad interior)
- Eficiencia A++ certificada
- Filtros plasma eliminan bacterias y virus
- Conectividad WiFi mediante módulo opcional

Haier
Gama Media-Alta
Rango de precio: 1600-2400€ (solo equipo)
Marca en expansión con excelente relación calidad-precio. Sus modelos AD71/105 ofrecen prestaciones similares a gama alta con precio más competitivo. Creciente red de servicio técnico en España.
- Tecnología Inverter eficiente clase A++
- Bomba de drenaje incorporada de serie
- Control WiFi Smart Home Ready
- 3 años de garantía oficial

Panasonic
Gama Alta
Rango de precio: 2100-2900€ (solo equipo)
Serie PACi NX destaca por su tecnología de purificación de aire nanoe-X y funcionamiento silencioso. Excelente para familias preocupadas por calidad del aire interior en sus 80m2.
- Tecnología nanoe-X elimina 99.9% patógenos
- Eficiencia energética A++ estándar
- Bajo nivel sonoro certificado
- Controlador inalámbrico incluido

LG
Gama Media
Rango de precio: 1700-2600€ (solo equipo)
Series Confort y Standard ofrecen fiabilidad probada a precio competitivo. Tecnología Inverter estable y control WiFi disponible. Buena disponibilidad de recambios y servicio técnico.
- Eficiencia A+ estándar en toda la gama
- Compresor Dual Inverter eficiente
- App LG ThinQ para control remoto
- Garantía de 3 años ampliable
Importante: Gas Refrigerante
La mayoría de equipos nuevos utilizan gas R-32, más eficiente y ecológico que el antiguo R-410A. Verifica que el instalador esté certificado para trabajar con el tipo de gas de tu equipo según normativa europea sobre gases fluorados.
Instalación del Aire Acondicionado por Conductos: Qué Necesitas Saber
La instalación de un sistema por conductos para 80m2 constituye una obra técnica que requiere profesionales cualificados. No es un proyecto DIY. La complejidad implica trabajos de albañilería, electricidad, fontanería y climatización coordinados.

Requisitos Previos Imprescindibles
Espacio en Falso Techo
La unidad interior y los conductos necesitan espacio vertical. El mínimo recomendado es 25-30 cm de altura libre en el falso techo. Para viviendas de 80m2, verifica que todas las zonas a climatizar dispongan de este espacio o planifica su creación.
Si tu vivienda tiene techos de 2.50m o menos y no existe falso techo, su instalación reducirá la altura a 2.20-2.25m aproximadamente. Valora si esta reducción resulta aceptable en tu espacio.

Ubicaciones Ideales para Unidad Interior
- Pasillo o distribuidor: Posición central que minimiza longitud de conductos hasta cada estancia
- Armario técnico: Si dispones de uno, resulta perfecto para ocultar máquina y punto de acceso para mantenimiento
- Zona de entrada: Facilita acceso técnico sin invadir zonas privadas durante revisiones
- Sobre baños o cocinas: Aprovecha falsos techos existentes en estas zonas de instalaciones
Ubicación de la Unidad Exterior
Para una vivienda de 80m2, la unidad exterior tendrá dimensiones aproximadas de 80-90cm ancho × 70cm alto × 35cm fondo. Necesita instalarse con acceso libre de aire y espacio mínimo para circulación:
- Mínimo 30cm de separación a paredes laterales
- 50cm de espacio libre frontal para ventilación
- Evitar orientación directa al sur en zonas muy cálidas
- Superficie nivelada y estable, preferiblemente sobre soportes antivibratorios
- Protección frente a lluvia directa si es posible

Fases del Proceso de Instalación
- Visita técnica inicial: El instalador evalúa tu espacio de 80m2, mide distancias, verifica espacios disponibles y elabora presupuesto detallado con plano de conductos.
- Instalación de soportes y unidad exterior: Fijación segura de la máquina exterior con soportes metálicos y silemblocks antivibratorios.
- Montaje de unidad interior: Colocación de la evaporadora en falso techo con suspensiones ajustables y nivelación precisa.
- Tendido de conductos: Instalación de red de conductos aislados térmicamente desde unidad interior hasta cada punto de difusión. Sellado hermético de uniones.
- Conexión frigorífica: Tendido de tuberías de cobre entre unidades interior y exterior. Soldadura en vacío y prueba de estanqueidad obligatorias.
- Conexión eléctrica: Cableado eléctrico desde cuadro general hasta ambas unidades con protecciones adecuadas. Requiere instalador electricista autorizado.
- Instalación de rejillas: Corte y colocación de rejillas de impulsión y retorno en posiciones calculadas para distribución óptima.
- Conexión de desagües: Tubería de evacuación de condensados desde unidad interior hasta desagüe o exterior.
- Vacío y carga de gas: Realización de vacío en circuito frigorífico y apertura de válvulas para carga de gas refrigerante.
- Instalación de termostato: Cableado y programación del control de temperatura, calibración de sondas.
- Puesta en marcha: Pruebas de funcionamiento en todos los modos, verificación de caudales, ajuste de compuertas y entrega al cliente.
Diseño de Red de Conductos para 80m2
El diseño de conductos determina la eficiencia final del sistema. Un diseño deficiente produce distribución desigual, mayor consumo energético y ruido excesivo. Para tus 80 metros cuadrados, el instalador debe calcular:
| Aspecto Técnico | Consideración para 80m2 | Impacto si se hace mal |
| Sección de conductos | Conducto principal 250-300mm, secundarios 150-200mm según caudal | Ruido excesivo, pérdidas de carga, distribución deficiente |
| Longitud máxima | Idealmente <15m por ramal, máximo 25m | Pérdida de potencia, zonas sin climatizar adecuadamente |
| Aislamiento térmico | Mínimo 25mm en todo el recorrido, 50mm en zonas no climatizadas | Condensación, pérdidas térmicas, eficiencia reducida |
| Número de rejillas | 4-6 impulsión + 1-2 retorno según distribución | Zonas frías y calientes, corrientes molestas |
| Posición rejillas | Impulsión en zonas centrales, retorno en pasillos | Cortocircuito de aire, ineficiencia, ruido |

Distribución Óptima de Rejillas
La colocación estratégica de rejillas asegura confort uniforme en tu espacio de 80m2. Estas son las mejores prácticas según tipo de estancia:
Salón-Comedor (25-35m2)

2-3 rejillas de impulsión distribuidas para evitar corrientes directas sobre sofás. Rejilla de retorno en zona opuesta o pasillo adyacente.
Dormitorios (10-15m2)

1 rejilla por dormitorio, nunca directa sobre la cama. Posición cerca de ventanas compensa ganancias/pérdidas térmicas por acristalamiento.
Cocina y Baños

Generalmente se excluyen de climatización directa. Aprovecha retorno general desde pasillo cercano. Si cocina integrada al salón, incluye en cálculo general.
Cumplimiento Normativo
La instalación debe cumplir normativa vigente en España. Aspectos críticos que tu instalador debe garantizar:
- Real Decreto 115/2017: Certificación del instalador en manejo de gases fluorados
- Reglamento 517/2014 UE: Registro de equipos con gases fluorados y controles periódicos
- RITE (Reglamento Instalaciones Térmicas): Cumplimiento de requisitos técnicos de eficiencia energética
- Certificado de instalación: Documento oficial obligatorio que acredita correcta ejecución
- Boletín eléctrico: Certificado de instalación eléctrica realizada por electricista autorizado
Exige Documentación Completa
Al finalizar la instalación, el profesional debe entregarte certificado de instalación, manual de usuario, garantías del fabricante, y fichas técnicas de los equipos. Conserva esta documentación para futuras revisiones y mantenimiento.
¿Necesitas Ayuda para Elegir tu Sistema?
Nuestros especialistas en climatización te ayudarán a seleccionar el equipo perfecto para tu vivienda de 80m2, considerando todas las variables técnicas y tu presupuesto.
Consulta por WhatsApp
Respuesta rápida a tus dudas sobre instalación, marcas y presupuestos.
Llamada con Experto
Asesoramiento técnico detallado y recomendaciones personalizadas.
Cuánto Cuesta Instalar Aire Acondicionado por Conductos en 80m2
El precio total de un proyecto de climatización por conductos para 80 metros cuadrados varía significativamente según múltiples factores. Proporcionar rangos realistas te ayudará a planificar tu inversión correctamente.
Desglose de Costes por Componentes
El coste total se divide en equipamiento y mano de obra profesional. Cada elemento contribuye al precio final de manera diferente:
| Concepto | Rango de Precio | Porcentaje del Total | Variables que Afectan |
| Equipo aire acondicionado (máquinas) | 1.600€ – 3.500€ | 40-50% | Marca, potencia, eficiencia energética, funciones smart |
| Conductos y aislamiento | 400€ – 900€ | 8-15% | Tipo material, longitud total, complejidad del trazado |
| Rejillas de difusión | 150€ – 400€ | 3-6% | Número necesarias, tipo (lineales más caras), diseño |
| Mano de obra instalación | 1.200€ – 2.500€ | 25-35% | Complejidad, necesidad de falso techo, ubicación geográfica |
| Falso techo (si no existe) | 800€ – 2.000€ | Variable | Superficie a cubrir, material, acabados |
| Termostato y control | 80€ – 350€ | 2-5% | Básico vs WiFi, zonificación, funciones inteligentes |

Estimación de Precio Total Según Escenario
Estos son los rangos de inversión total que puedes esperar para tu proyecto de 80m2, desde opción más económica hasta instalación premium:
Opción Económica
Desde 3.400€
Total estimado: 3.400€ – 4.200€
Incluye:
- Equipo marca media (Haier, LG) 6000-7000 frig
- Eficiencia A+ / A++
- Conductos estándar aluminio flexible
- Rejillas básicas blancas
- Termostato digital básico
- Instalación estándar (falso techo existente)
Ideal para: Presupuesto ajustado, vivienda con preinstalación o falso techo ya construido.
Opción Media
Desde 4.800€
Total estimado: 4.800€ – 6.200€
Incluye:
- Equipo marca reconocida (Fujitsu, Panasonic) 6000-8000 frig
- Eficiencia A++ / A+++
- Conductos metálicos rígidos aislados
- Rejillas de calidad media, varios modelos
- Termostato WiFi inteligente
- Instalación completa profesional
- Falso techo parcial si necesario (pasillo)
Ideal para: Equilibrio óptimo calidad-precio, máxima eficiencia energética.
Opción Premium
Desde 6.500€
Total estimado: 6.500€ – 9.000€
Incluye:
- Equipo gama alta (Mitsubishi, Daikin) 7000-8000 frig
- Eficiencia A+++ certificada
- Conductos premium con aislamiento superior
- Rejillas diseño (lineales, motorizadas)
- Sistema zonificación inteligente 2-3 zonas
- Control WiFi avanzado + integración domótica
- Falso techo completo con acabados premium
- Garantía extendida 5-10 años
Ideal para: Máxima calidad, durabilidad, control total y estética impecable.
Factores que Incrementan el Coste
Situaciones específicas pueden aumentar el presupuesto base. Considera estos elementos al planificar tu inversión:
- Altura de instalación: Pisos altos sin ascensor o accesos difíciles incrementan coste de transporte y mano de obra
- Complejidad del trazado: Distribuciones irregulares o distancias largas requieren más conductos y tiempo de instalación
- Construcción de falso techo completo: Puede añadir 1.500-3.000€ según superficie y acabados
- Necesidad de obra adicional: Rozas para cableado, refuerzo de soportes, adaptación de espacios
- Zonificación inteligente: Sistemas con control independiente por zonas añaden 800-1.500€
- Ubicación geográfica: Grandes ciudades suelen tener tarifas de mano de obra superiores
- Temporada de instalación: Primavera y otoño tienen mayor demanda y a veces precios más altos

Retorno de Inversión y Amortización
Aunque la inversión inicial sea superior a otros sistemas, el aire acondicionado por conductos para 80m2 ofrece ventajas económicas a medio-largo plazo:
Ahorro Energético Anual
Un sistema eficiente (A++) consume aproximadamente 30-40% menos electricidad que múltiples splits individuales. Para una vivienda de 80m2 con uso moderado (4-5 meses/año), el ahorro puede alcanzar:
- Consumo splits tradicionales clase A: ~1.100 kWh/año
- Consumo conductos A++ centralizado: ~700 kWh/año
- Ahorro anual: 400 kWh = 100-130€ aproximadamente
El sobreprecio de un sistema por conductos eficiente (1.000-1.500€ más que splits) se amortiza en 8-12 años considerando solo ahorro energético, sin contar otras ventajas como confort y valorización.

Valorización Inmobiliaria
Una instalación de conductos profesional incrementa el valor de mercado de tu vivienda. Estudios del sector inmobiliario estiman que un sistema de climatización centralizado añade aproximadamente 3-5% al precio de venta, especialmente relevante en zonas con clima extremo donde la climatización es esencial.
Formas de Financiar tu Instalación
Muchas empresas instaladoras ofrecen financiación sin intereses a 12-24 meses. Bancos y cajas también disponen de líneas de crédito específicas para mejoras en eficiencia energética del hogar con condiciones ventajosas.
Algunas comunidades autónomas mantienen programas de ayudas y subvenciones para instalaciones de climatización eficiente. Consulta disponibilidad en tu región antes de contratar.
Presupuestos: Qué Debe Incluir
Solicita siempre presupuestos por escrito que especifiquen claramente todos los conceptos. Un presupuesto profesional para tu proyecto de 80m2 debe detallar:
- Marca, modelo y referencia exacta de unidades interior y exterior
- Potencia frigorífica y calorífica, clasificación energética SEER/SCOP
- Metros lineales de conductos, tipo de material y aislamiento
- Número, tipo y ubicación de rejillas de difusión
- Modelo de termostato y funcionalidades incluidas
- Alcance de la instalación: qué trabajos incluye y cuáles no
- Gestión de permisos y documentación oficial
- Plazo de ejecución estimado
- Garantías: del fabricante sobre equipos, del instalador sobre trabajo
- Condiciones de pago: anticipo, plazos, forma de pago
- Validez del presupuesto
Compara Varios Presupuestos
Solicita mínimo tres presupuestos de diferentes instaladores para tu proyecto de 80m2. Compara no solo precio final sino también componentes incluidos, marcas propuestas, plazos y garantías ofrecidas. El más barato no siempre es la mejor opción si compromete calidad de equipos o instalación.
Mantenimiento y Consejos Finales para tu Sistema de 80m2
Un sistema de aire acondicionado por conductos bien mantenido puede funcionar eficientemente durante 15-20 años. El mantenimiento preventivo resulta mucho más económico que reparaciones de averías por negligencia.
Calendario de Mantenimiento Recomendado
| Frecuencia | Tarea de Mantenimiento | Responsable | Coste Aproximado |
| Mensual (durante uso) | Limpieza de filtros de aire de unidad interior | Usuario | Gratuito |
| Trimestral | Inspección visual de rejillas y limpieza superficial | Usuario | Gratuito |
| Anual (antes de verano) | Revisión técnica completa, limpieza profesional, comprobación de gas | Técnico profesional | 80-150€ |
| Bienal | Limpieza profunda de conductos interiores | Técnico especializado | 200-350€ |
| Según normativa | Control de fugas de gases fluorados (si >3kg carga) | Técnico certificado | 60-100€ |

Tareas de Mantenimiento que Puedes Hacer Tú Mismo
Limpieza de Filtros

Los filtros de la unidad interior deben limpiarse mensalmente durante temporada de uso intensivo. Retíralos, aspíralos suavemente, lávalos con agua tibia y jabón neutro, sécalos completamente antes de reinstalar.
Filtros sucios reducen eficiencia hasta 15% y pueden provocar averías por sobrecalentamiento del compresor.
Inspección de Rejillas

Retira polvo y suciedad de rejillas trimestralmente con aspirador y paño húmedo. Verifica que las lamas móviles no estén obstruidas y se muevan libremente.
Rejillas obstruidas generan ruido molesto y distribución irregular del aire en tu espacio de 80m2.
Señales de Advertencia: Cuándo Llamar al Técnico
Estas situaciones requieren atención profesional inmediata para evitar averías mayores en tu sistema:
- Pérdida de rendimiento: El sistema no alcanza la temperatura deseada trabajando constantemente
- Ruidos anormales: Golpeteos, chirridos o ruidos metálicos que antes no existían
- Goteos o humedad: Manchas de agua en falso techo, goteo desde rejillas
- Olores desagradables: Olor a quemado, moho o rancio al funcionar
- Hielo en tuberías: Formación de escarcha en tubería exterior o unidad
- Aumento del consumo: Incremento notable en factura eléctrica sin cambio de uso
- Disparo de protecciones: El sistema se apaga automáticamente repetidamente
Nunca Ignores una Fuga de Gas
Si detectas pérdida progresiva de rendimiento acompañada de manchas aceitosas en conexiones o silbidos, puede existir fuga de gas refrigerante. Contacta inmediatamente con técnico certificado. Las fugas no solo reducen eficiencia sino que están reguladas legalmente y requieren reparación obligatoria.
Optimización del Consumo: Mejores Prácticas
Aprovecha al máximo tu sistema de conductos en 80m2 con estos consejos de uso eficiente:
Temperatura Óptima
En verano: 24-26°C. En invierno: 20-22°C. Cada grado de diferencia representa aproximadamente 7% más de consumo energético.
Programación Inteligente
Utiliza temporizadores para pre-climatizar antes de llegar a casa. Reduce temperatura durante ausencias prolongadas pero sin apagar completamente.
Ventilación Cruzada
Ventila abriendo ventanas durante 10 minutos en horas frescas (mañana temprano, noche). Apaga el aire durante la ventilación.
Protección Solar
Usa toldos, persianas o cortinas durante horas de máxima radiación. Reduces hasta 30% la carga térmica en orientaciones sur y oeste.
Modo ECO
Activa modo ECO o ahorro energético cuando no necesites enfriamiento máximo inmediato. Prioriza eficiencia sobre velocidad.
Zonificación Efectiva
Si tienes zonificación, climatiza solo áreas ocupadas. Cierra compuertas de dormitorios durante el día, de salón durante la noche.

Guía Paso a Paso para tu Proyecto de 80m2
Resume los pasos prácticos para implementar exitosamente tu sistema de conductos:
- Evalúa tu espacio: Mide tu vivienda real climatizable, resta zonas excluidas (baños, trasteros), confirma altura de techos y disponibilidad de falso techo
- Calcula potencia necesaria: Aplica fórmula base (100 frig/m2) ajustada por factores específicos de tu vivienda. Para 80m2 estándar: 6000-8000 frigorías
- Define presupuesto disponible: Considera inversión inicial más coste de uso anual. Equilibra precio con eficiencia energética
- Investiga marcas y modelos: Compara opciones en tu rango de precio. Prioriza eficiencia A++ o superior y tecnología Inverter
- Solicita 3-4 presupuestos: Contacta instaladores certificados, explica tu proyecto, solicita presupuestos detallados por escrito
- Compara ofertas globalmente: No solo precio final; también equipos propuestos, garantías, referencias de trabajos previos
- Verifica certificaciones: Confirma que instalador está certificado para gases fluorados según RD 115/2017
- Revisa contrato detalladamente: Verifica alcance exacto de trabajos, plazos, formas de pago, garantías y responsabilidades
- Programa instalación: Mejor en primavera u otoño (menos demanda). Requiere 3-5 días de trabajo según complejidad
- Supervisa ejecución: Verifica calidad de conductos, aislamiento, posición de rejillas según diseño acordado
- Exige pruebas completas: Funcionamiento en todos los modos, temperaturas alcanzadas, ausencia de ruidos o vibraciones
- Recibe documentación: Certificado instalación, garantías, manuales, facturas, registro gases fluorados si aplica
- Programa primer mantenimiento: Acuerda revisión anual con técnico antes del verano siguiente
Preguntas Frecuentes sobre Instalación en 80m2
¿Puedo instalar conductos sin falso techo existente?
Sí, pero requiere construcción de falso techo que añade 1.500-3.000€ al presupuesto. La alternativa es instalar solo en zonas con falso techo (baños, cocinas, pasillos) y climatizar desde ahí, aunque la distribución será menos uniforme.
¿Cuánto tiempo dura la instalación completa?
Para 80m2 con falso techo existente: 2-3 días laborables. Si incluye construcción de falso techo nuevo: 4-6 días. El instalador debe minimizar molestias concentrando trabajo ruidoso en horarios específicos.
¿Es mejor un sistema de 6000 o 7000 frigorías para 80m2?
Depende de tus factores específicos. Vivienda bien aislada, orientación norte, zona templada: 6000 frig suficientes. Vivienda con aislamiento básico, orientación sur, zona cálida: mejor 7000-8000 frig. En duda, elige potencia superior; los Inverter modulan eficientemente.
¿Puedo climatizar solo parte de los 80m2?
Sí, es habitual excluir baños, cocina (si cerrada) o trasteros. Esto reduce potencia necesaria. También puedes instalar zonificación con compuertas motorizadas para controlar independientemente diferentes áreas según ocupación.
¿El aire acondicionado por conductos hace mucho ruido?
Correctamente instalado, es el sistema más silencioso. La unidad interior queda en falso techo alejada de zonas habitables. El nivel sonoro en habitaciones es muy bajo (25-35 dB), comparable a biblioteca. La unidad exterior genera más ruido pero ubicada fuera.
¿Cada cuánto debo recargar el gas refrigerante?
Un sistema bien instalado NO necesita recargas periódicas. El circuito es hermético y el gas no se consume. Si necesitas recarga, existe una fuga que debe repararse. Con instalación correcta, el gas original dura toda la vida útil del equipo (15-20 años).
Conclusión: Tu Decisión Informada para Climatizar 80m2
Instalar un sistema de aire acondicionado por conductos en tu vivienda de 80 metros cuadrados representa una inversión significativa que impactará tu confort y economía durante años. Esta guía te ha proporcionado las herramientas necesarias para tomar una decisión fundamentada que equilibre inversión inicial, eficiencia operativa y confort a largo plazo.
Recuerda los puntos esenciales: calcula correctamente la potencia frigorífica considerando las características específicas de tu espacio, selecciona equipos de alta eficiencia energética con tecnología Inverter, trabaja exclusivamente con instaladores profesionales certificados, y establece desde el inicio un plan de mantenimiento preventivo que garantice rendimiento óptimo durante toda la vida útil del sistema.

La climatización de 80m2 mediante conductos no solo mejora tu calidad de vida diaria proporcionando temperatura perfecta en cada estancia, sino que constituye una mejora estructural que valoriza tu propiedad y reduce tu huella energética mediante sistemas eficientes de última generación.
Solicita múltiples presupuestos, compara detenidamente, verifica referencias y certificaciones, y no tomes la decisión basándote únicamente en el precio más bajo. Un sistema de climatización correctamente dimensionado e instalado profesionalmente te proporcionará confort, eficiencia y tranquilidad durante las próximas dos décadas.
Da el Siguiente Paso Hacia Tu Climatización Perfecta
Nuestro equipo de especialistas está preparado para ayudarte con tu proyecto de aire acondicionado por conductos para 80m2. Ofrecemos asesoramiento personalizado, presupuestos detallados sin compromiso y garantía total en equipos e instalación.
Compromiso de Calidad
- 15+ años de experiencia en climatización residencial
- Miles de instalaciones realizadas con éxito
- Garantía oficial en todos los trabajos y equipos
- Presupuesto sin compromiso ni letra pequeña
- Instaladores certificados según normativa vigente